
O GELIJKRICHTER 50V-4A (RS401/L) foi projetado para converter corrente alternada (AC) em corrente contínua (DC) de forma eficiente, oferecendo uma fonte de energia confiável para dispositivos eletrônicos.
Projetado com precisão, este retificador suporta tensões de entrada de até 50V e entrega uma saída de corrente estável de 4A, garantindo um desempenho consistente para componentes sensíveis. Sua construção compacta permite fácil integração em diversos sistemas elétricos sem comprometer espaço ou funcionalidade.
Ideal para aplicações que precisam de energia DC estável, sua tecnologia avançada de semicondutores minimiza a perda de energia, aumentando a eficiência geral do sistema. Com proteção térmica e contra sobrecarga, funciona de forma segura mesmo em ambientes exigentes.
| Marca | Any brand |
| Modelo | RS401/L |
| Digita o número | I'm sorry, I need more context to accurately translate "RS401/L" as it appears to be a code or designation. Could you please provide additional information or clarify the meaning? |
| Sorry, I'm not sure what "Ifsm (piekstroom)" means so I can't translate it accurately. Could you please provide more context or check if there might be a typo? | 200A |
| Vf (tensão direta) | 1V máx. |
| It seems like the text provided isn't in a complete or clear context for translation. If "Vrrm" and "sperspanning" refer to specific terms, names, or slang, they might not have direct translations. Could you provide more context or clarify what these terms mean? If "Vrrm" is meant to mimic a sound (like a car engine), in Portuguese you might use "Vrum". For any specific translation needs, additional context would be helpful. | 50V máx. |
| Desculpe, mas parece que a palavra "sperstroom" não está clara ou não pertence ao meu vocabulário. Se puder fornecer um contexto ou verificar se está correta, ficarei feliz em ajudar com a tradução! | 10 µA |
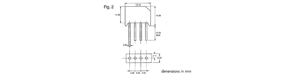
| Embalagem | fig. 2 |
| Io (corrente contínua) | Sure, please provide the text you want translated to Portuguese. |